EDI活用事例集CASE STUDIES

代理店会の総務委員会に属する代理店情報化委員会のもとに紙流通業務改善分科会が発足され、代理店、卸商間のEDIについて検討が行なわれました。

実際にEDIを活用している卸商を対象にヒアリングを実施し、“EDI活用事例集”を取り纏めましたので、ご案内をさせていただきます。

1.抄造注文

※画像をクリックすると拡大されます。

抄造注文
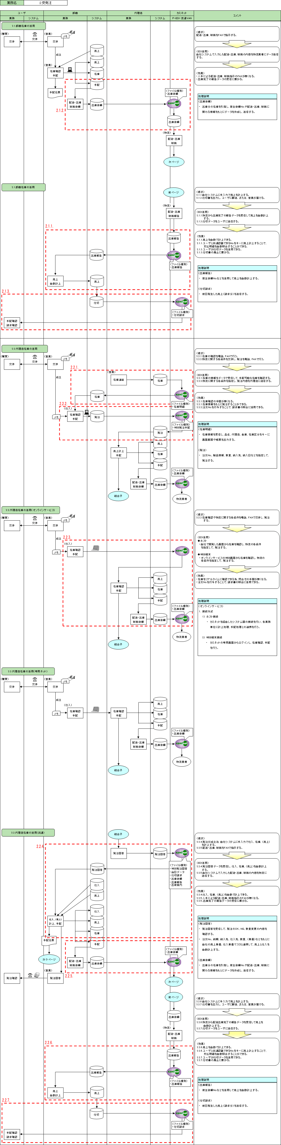
2.受発注

※画像をクリックすると拡大されます。

受発注
3.買掛照合

※画像をクリックすると拡大されます。

買掛照合
4.コード運用

※画像をクリックすると拡大されます。

コード運用